I have completed the investigation analysis of the white residue material associated with the aged red sachet Tasters Choice Instant Coffee which was made possible by the generous donation of a handful of samples from the collection of MREInfo member, SentientTootsieRoll.
The primary purpose of the investigation was to identify the white material sometimes found associated with the coffee crystals in some instant coffee packets which was suspected to be either mold or an ingredient of the coffee or processing aid which could be blooming to the surface. The techniques employed in performing this investigation were handheld photography, stereo microscopy, micro-chemical analysis, micro-FT-IR (Infrared Spectroscopy) and SEM (electron microscopy).
Coffee Instant, Taster's Choice, Red Sachet White Fibrous Residue Investigation
Re: Coffee Instant, Taster's Choice, Red Sachet White Fibrous Residue Investigation
The first red sachet was opened and visually, no white residue was apparent as seen in the first image below. Upon inspection under the stereomicroscope, some fine white fibers were present on the coffee grain surfaces. This was likely the white material in question but there would not be enough of it for proper analysis. The following 2 red sachets produced coffee crystals with no white fibers present. Luckily, the 4th and final red sachet contained a large amount of white residue among the coffee grains which also appeared to be darker in color and clumped together implying moisture damage may have occurred.
Re: Coffee Instant, Taster's Choice, Red Sachet White Fibrous Residue Investigation
To perform further analysis, the white fibers had to be isolated from the coffee grains. It was anticipated that the coffee should be very soluble in water and if the white residue was mold-based (fungal hyphae), it should be very insoluble. A single coffee grain of the white residue sample was manipulated into a drop of filtered distilled water on a glass slide while observing in the stereomicroscope.
First video of coffee grain from 2nd sachet with no white residue.
Second video of coffee grain from 4th opened sachet with white residue showing solubility in water.
It was carefully observed that the white material was instantly soluble in water. This was strong evidence that the white material was not fungal hyphae (mold). The morphology of the white fibrous residue was unique and upon searching in historical data, it was discovered that it closely resembled caffeine crystals. To verify this, further analysis was performed.
First video of coffee grain from 2nd sachet with no white residue.
Second video of coffee grain from 4th opened sachet with white residue showing solubility in water.
It was carefully observed that the white material was instantly soluble in water. This was strong evidence that the white material was not fungal hyphae (mold). The morphology of the white fibrous residue was unique and upon searching in historical data, it was discovered that it closely resembled caffeine crystals. To verify this, further analysis was performed.
Last edited by Mpitt on Tue Jul 17, 2018 7:38 pm, edited 2 times in total.
Re: Coffee Instant, Taster's Choice, Red Sachet White Fibrous Residue Investigation
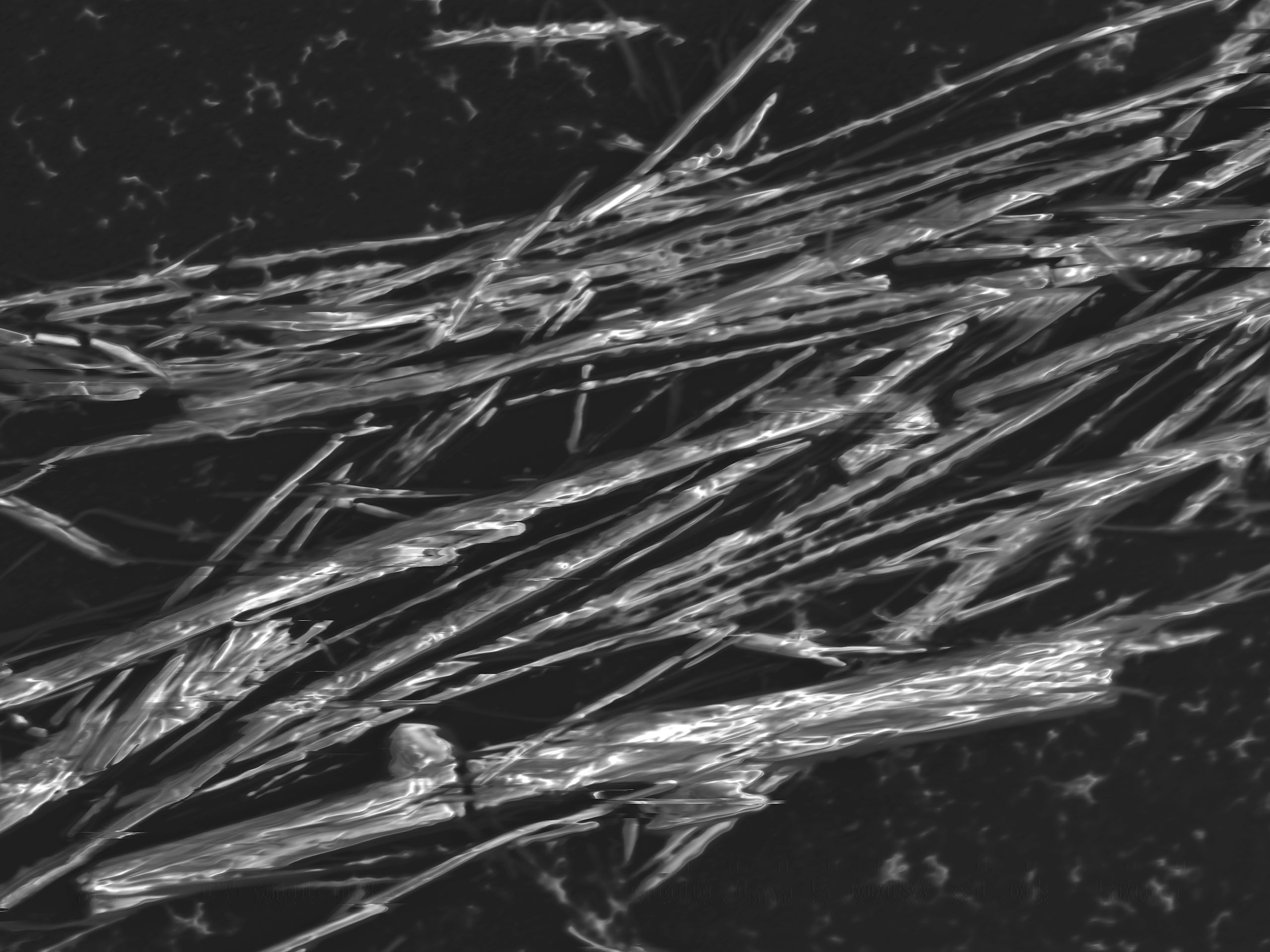
A sample of the white material was isolated by hand for SEM analysis. The fibers were very non-conductive as can be seen with the excess amount of charging build-up in the images. Even though image quality was poor due to the charging, the caffeine crystal morphology (fibrous and somewhat dendritic shaped) was verified.
Last edited by Mpitt on Tue Jul 17, 2018 7:40 pm, edited 2 times in total.
Re: Coffee Instant, Taster's Choice, Red Sachet White Fibrous Residue Investigation
Also, collection of white material was isolated from a coffee grain using a tungsten probe and transferred to a salt disk for micro-FTIR analysis. The resulting FTIR spectrum was consistent with pure Caffeine.
Re: Coffee Instant, Taster's Choice, Red Sachet White Fibrous Residue Investigation
TL;DR - The white fibrous residue even though having the appearance of mold, was identified and verified to be caffeine crystals.
Does that mean that these old and nasty looking instant coffees are safe to consume? Maybe, but I doubt it. I sure am not going to try one. There is clear evidence of long term moisture damage (the clumping and the darkening) which may have also sparked “other bad things” to occur. I do not recommend trying it.
Does that mean that these old and nasty looking instant coffees are safe to consume? Maybe, but I doubt it. I sure am not going to try one. There is clear evidence of long term moisture damage (the clumping and the darkening) which may have also sparked “other bad things” to occur. I do not recommend trying it.
- WorkmanMRE
- Posts: 696
- Joined: Sat Oct 21, 2017 3:33 pm
- Location: BOISE, Idaho
- Contact:
Re: Coffee Instant, Taster's Choice, Red Sachet White Fibrous Residue Investigation
Just wow, way over my head but amazing research! Thanks for your work!
Cheers,
WorkmanMRE
and
Animal Free MRE
https://www.youtube.com/channel/UC39Adn ... subscriber
-----------------------------------------------------------
WorkmanMRE
and
Animal Free MRE
https://www.youtube.com/channel/UC39Adn ... subscriber
-----------------------------------------------------------
Re: Coffee Instant, Taster's Choice, Red Sachet White Fibrous Residue Investigation
Wow, never would have thought of that! Thank you so much for doing the reasearch, that's awesome!
- carlosflar
- Posts: 513
- Joined: Fri Nov 18, 2016 5:30 pm
- Location: Spain
- Contact:
Re: Coffee Instant, Taster's Choice, Red Sachet White Fibrous Residue Investigation
I'm not sure if we are allowed to swear on the forums but what you did was f****g awesome!!
I love this! I love this side of lab work... Too bad most of the equipment is too expensive to have at home...
At least, the caffeine crystals are completely safe for use, i don't know about the rest of the coffee but the crystals cant hold anything worse than the caffeine they already have... you can put them on your tongue and you will taste a strange bitterness that will remember you of energy drinks more than of coffee... And if you when through the hard work of colecting enough of them you could put them under your tongue and asimilate the caffeine that way, or you know... do it more junkie style XD it would work that way too
I love this! I love this side of lab work... Too bad most of the equipment is too expensive to have at home...
At least, the caffeine crystals are completely safe for use, i don't know about the rest of the coffee but the crystals cant hold anything worse than the caffeine they already have... you can put them on your tongue and you will taste a strange bitterness that will remember you of energy drinks more than of coffee... And if you when through the hard work of colecting enough of them you could put them under your tongue and asimilate the caffeine that way, or you know... do it more junkie style XD it would work that way too
I have Spanish rations permanently, feel free to ask
Interested in: International rations,medical items, emergency kits and other
YT channel: https://www.youtube.com/c/carlosflar
Interested in: International rations,medical items, emergency kits and other
YT channel: https://www.youtube.com/c/carlosflar
- carlosflar
- Posts: 513
- Joined: Fri Nov 18, 2016 5:30 pm
- Location: Spain
- Contact:
Re: Coffee Instant, Taster's Choice, Red Sachet White Fibrous Residue Investigation
I have to say it, you have finally cracked the mistery of the white stuff on the tasters choice!
Now the only part of the mistery that remains is why it happens and why the tasters choice only...
Added extra caffeine maybe?
Now the only part of the mistery that remains is why it happens and why the tasters choice only...
Added extra caffeine maybe?
I have Spanish rations permanently, feel free to ask
Interested in: International rations,medical items, emergency kits and other
YT channel: https://www.youtube.com/c/carlosflar
Interested in: International rations,medical items, emergency kits and other
YT channel: https://www.youtube.com/c/carlosflar